Трифазни асинхронни електродвигатвли
за подемни механизми на електротелфери
ТЕХНИЧЕСКИ ДАННИ 380 V, 50 Hz
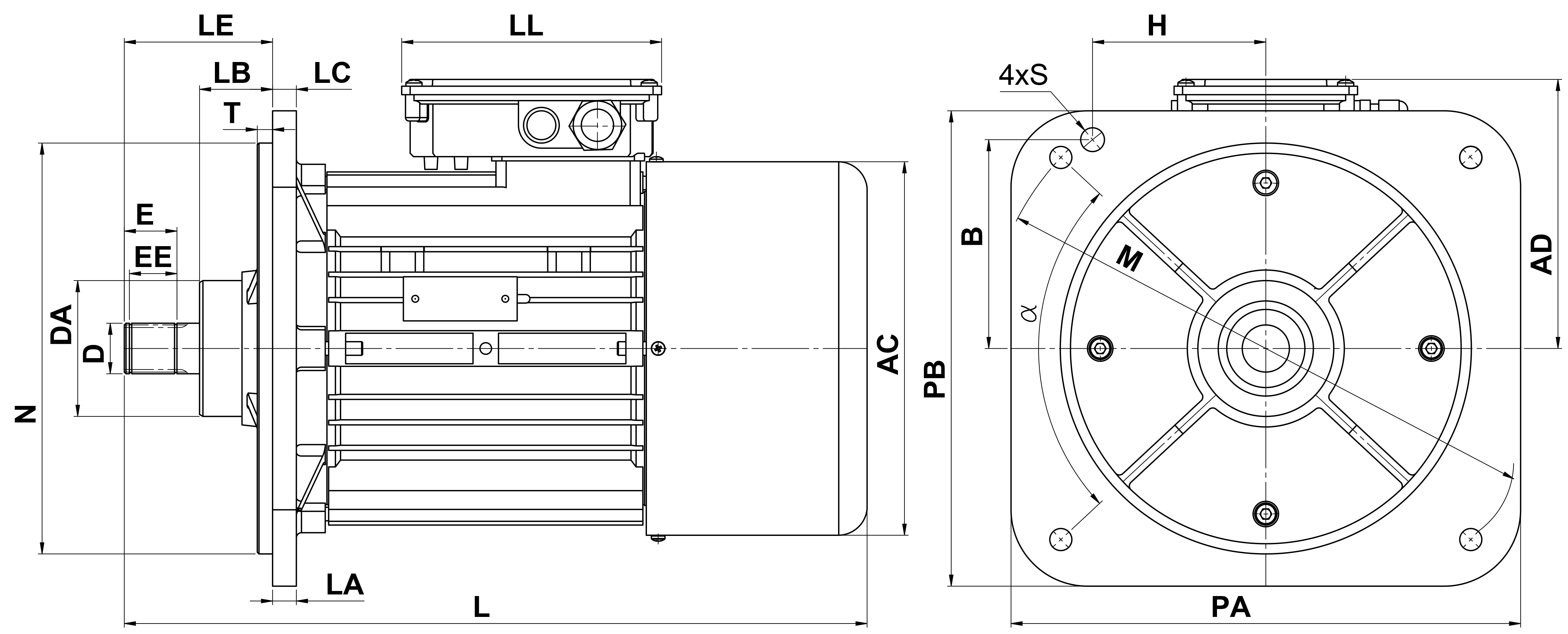
ГАБАРИТНИ И ПРИСЪЕДИНИТЕЛНИ РАЗМЕРИ
Троян е един от първите градове в страната, който започва да използва електроенергия. В края на 1926 г. по инициатива на Популярната банка, градското читалище „Наука” и електроснабдителната кооперация „Слънце”, група будни общественици основават Воден синдикат „Троян” за използване на водите на река Черни Осъм.Населението на града, чрез своите средства в банките, също участва в започналия строеж на електроцентрала. Синдикатът инвестира няколко милиона лева, по-голямата част от които взема на кредит. След тригодишна дейност, на 11 декември 1929 г., електроцентрала осветява Троян.
През 1943 г. в малката електроремонтна работилница на Марин Стаевски се изработва силов трансформатор, който работи безупречно пет години. Това поражда идеята за електропромишленост в Троян.
През септември 1945 г. само една година след народната победа, по инициатива на Марин Стаевски на базата на малката електроремонтна работилница, се основава електротехническа кооперация „Елпром”. Нейните основатели са четирима: Марин Стаевски, Цочо Цоневски, Цонко Якимов и Павел Йовевски.
Така в Троян започват да се произвеждат електромотори – една необходимост за младата промишленост, в условията на тежките следвоенни години, при липса на оборудване и материали.
През 1949 г. електротехническата кооперация става държавно предприятие от системата на електропромишлеността – учредява се фабрика „Елпром” – Троян, чийто пръв директор е Марин Стаевски. Електромоторната фабрика наскоро след това се настанява в нова сграда.
Първите изделия на предприятието са трифазни електромотори с малка мощност. По-късно започва изработването и на колекторни електродвигатели и електромашини за лабораторни нужди, изделия, които тогава не се произвеждат никъде в страната. В процеса на усвояване на производството се извършва етапно разширение на предприятието, доставя се нова техника, а с това нараства и производственият обем, който ежегодно се променя по номенклатура.
През 1956 г. на предприятието се възлага за първи път държавна поръчка за износ на електродвигатели в Чехословакия, която е изпълнена успешно без рекламации. Голям принос в тази първа международна проява имат главният инженер Дочо Велчевски, главният конструктор инженер Димитър Личков и главният технолог инженер Стамен Иванов.
Всяка година планът на завода се увеличава значително, в това число и планът за износ в няколко страни. Това налага второ разширение и построяване на трети етаж на съществуващата административна сграда.
Номенклатурата на завода става голяма, което налага отделянето на микроколекторните електромотори и електромашини в отделно предприятие. В резултат на това се създава ново предприятие „Елпром” – Ловеч. По същия начин „Елпром” – Троян, поставя началото на още две промишлени предприятия, които в последствие се развиват и укрепват: „Елпром” – Тетевен, и „Елпром” – Етрополе.
Електромоторният завод „Елпром” – Троян, се специализира като едно голямо предприятие за производство на асинхронни електродвигатели с габарити 0, I, II, III с мощност до 4 кВт и за производство на електрически машини като електрошмиргели, вентилатори, помпи и др. Заводът задоволява напълно нуждите на страната ни от посочените електродвигатели. Той снабдява повече от 80 машиностроителни предприятия и търговски организации.
С обособяването на ДСО „Елпром” – София, което става пряка висшестояща организация, се създават условия за по-нататъшното развитие на завода.
През 1963 г. влизат в дайствие първите агрегатни машини за лагерен щит, автоматични преси „Шулер” в пресовия цех и пневматичната серия за безкасово формене в леярния цех. Същата година в завода се произвежда национална конференция по леярство, на която се демонстрира пресово безкасово формене с преса – заводско производство, дело на инженер Цочо Цветков и конструктора Мичо Радевски. Пред конференцията се изнася научен доклад по безкасово формене от инженер Цочо Цветков.
Третото разширение влиза в действие през 1966-67 година. В него се настаняват механичен, пресов, бобинажен, монтажен, бояджийски и опаковъчен цех. Основният корпус на старото производствено помещение е предоставено за производство на инструменти и нестандартно оборудване. Основа на това производство стават четирипозиционните сегментни щанци. Усвояват се производства с голям асортимент, моделна екипировка и разнообразия от нестандартно оборудване не само за завода, а и задруги сродни предприятия в страната.
Бързите темпове, с които се развива заводът, налагат в последствие към него да се създадат цехове на територията на Троянската селищна система. Първите филиали са в с. Голяма Желязна и в с. Съево, където се прехвърля част от бобинажа на електромотори за перални, производството на цветна отливка и бакелито-пресовото производство.
През последните години там се построиха модерни цехове, които влязоха в действие през 1983 г., за производство на електродвигатели за водни помпи и перални машини в с. Голяма Желязна и за стоки за народно потребление в с. Съево. Нов голям филиал на завода започна своята дейност през 1978 година. Влезе в действие модерна леярна за безкасово формене в с. Орешак. В цех „Тодор Стаевски” е настанено цялото пресово производство, обзаведено с модерни полуавтоматични линии за щанцване , пакетиране и термообработка от безсилициева ламарина.
В своето четиридесетгодишно развитие заводската марка „Елпром” – Троян, си пробива път и заема достойно място на международния пазар. Заводът се налага като експортен. Българската външнотърговска фирма „Електроимпекс” пласира електромоторите, производство на завода, във всички социалистически страни: СССР, ГДР, Чехословакия, Полша, Унгария, Куба, Албания, но по-голямата част от износа е предназначен за индустриално развитите капиталистически страни като ГФР, Франция, Италия, Белгия, Холандия, Гърция, Турция, както и за развиващите се африкански, азиатски и някои латиноамерикански държави.
Широката номенклатура на завода, високата надеждност на двигателите и високото им качество печелят все повече клиенти на международния пазар. Развитието на „Елпром” – Троян, се очертава като много перспективно и много изгодно за нашето народно стопанство. Разработената и пусната в производство през 1959 година единна серия електродвигатели е изпълнила своето предназначение до 1982 година. Сега заводът предлага електродвигатели от сериите 4АО80Д, 90Д 100Д, 112Д, 4ЕОКА80Д, 90Д и 4ЕОКАД-90Д, които се характеризират с подобрени моментни и работни характеристики, олекотена конструкция, съвременен дизайн и повишена надеждност. Особена гордост за завода е усвояването и пускането през 1981 година в серийно производство на високомоментните задвижвания (ВМЗ), предназначени за комплектуване към металорежещи машини с цифрово-програмно управление (ЦПУ) с въртящ момент от 7 до 47 Н.м. Немислим е техническият прогрес без производството на високомоментни задвижвания, тъй като световната практика утвърждава вече предимството на металорежещите машини с цифрово-програмно управление. За сега заводът произвежда високомоментни задвижвания изключително за износ в СССР, но с бъдещото увеличаване на производството на това високоефективно изделие ще се създадат условия за износ и в други страни.
В своята четиридесетгодишна производствена дейност заводът приема и възпитава много специалисти. Производственият учебен център за образование и преквалификация на кадрите постоянно развива и усъвършенства дейността си.
Упоритият и непрекъснат стремеж на заводския колектив към високо качество на продукцията непрекъснато получава своето признание.
Заводът е носител на орден „Червено знаме на труда”, на седем златни и два сребърни медала, получени на Международния панаир в Пловдив през последните години. Колективът получи златен медал през 1978 г. за усвояване и производство на фамилия електродвигатели от серията 4АО. За развитие на производството и международното сътрудничество през 1982 г. заводът беше удостоен с най-голямата международна награда „Златният Меркурий”. Държавният комитет за наука и технически прогрес утвърди висша категория за качество със знак „К” за изделията 4АО80Д, 90д, 100д, 112д, 4ЕОКА80Д и 90Д.
През изминалите години под ръководството на заводската партийна организация израсна и се възпита здрав и сплотен колектив. Високи трудови отличия получиха много работници и служители. Първият директор на завода Марин Стаевски бе удостоен със званието „Герой на социалистическия труд” . Носител на орден „Георги Димитров” е един човек, на „Орден на труда” – златен, единадесет души, на орден „Червено знаме на труда” – пет души, на „Орден на труда” – сребърен – осем души, на „Орден на труда” – бронзов – девет души, на орден „Кирил и Методии” – I степен – двама души, на медали за трудово отличие – осем души.
Заводът полага много грижи за подобряване на културно-битовите условия за работа и труд . Проблемите, свързани с безопасността и хигиената на труда, с премахване на тежкия и непривлекателен труд се разрешават успешно чрез повишаване на степента на автоматизация и модернизация на производствените процеси. Във всеки цех се увеличават ежегодно работещите при комплексно подобрени условия на труд (КПУТ).
В чест на юбилея в завода е завършен последният етап от модернизацията, реконструкцията и разширението на продукцията с усвоената вече нова серия електродвигатели 4АО, внедряване изцяло на нови технологии в механичната обработка на тела, лагерен щит и вал-ротор на автоматични линии, нова леярска технология. Предстои модернизация на леярния цех 70, проектира се и построяване на отделен завод за високомоментни задвижвания. Изготвен и одобрен е проект за модернизация и реконструкция на обособеното производство за инструменти и нестандартно оборудване (ПИНО), което ще увеличи производителността на едно лице промишлено-производствен персонал над 2 пъти.
В изпълнение на програмата за интелектуализацията на труда и приложението на електронно-изчислителни машини в управлението, през 1982 г. се създаде в завода електронно-изчислителен център (ЕИЦ). Изграждането му бе наложително за подобряване на управлението на производството и финансово-счетоводната дейност в реално време. В момента работят и се ползват подсистемите за стоково-материалните ценности, труда и работната заплата, материално-техническото снабдяване, управлението на складовото стопанство и нормативно-справочната база. Внедрява се подсистемата за оперативно управление на производството.
В масовите организации са обхванати всички работници и служители в завода. Голяма част от младежите участват в художествената самодейност и фото клуба. През дългия период на масова и физкултурна дейност колективът на завода многократно е печелил окръжни и републикански награди. Непрестанно работи и единственият в страната работнически цирков състав. Много отличия печелят заводската танцова група, струнният и естрадният състав, и вокалната група. За приятен и полезен отдих през свободното време, работниците и служителите с доброволен труд и с помощта на завода изградиха черноморска почивна станция в с. Бяла, Варненско, балнеолечебна – в с. Шипково и заводски туристически дом в курортното градче Беклемето. За нуждаещите се от балнеолечение заводът осигурява ежегодно карти за почивка.
Прекрасна обстановка е създадена за децата в целодневната детска градина. Заводът има добре уреден здравен пункт. Храненето на трудещите се се извършва в три, отговарящи на съвременните изисквания стола, където е осигурена възможността за приготвяне на храна за вкъщи и диетичен щанд. На територията на завода работи и търговско-битов комплекс от магазин за хранителни стоки, сладкарница, книжарница, магазин за луксозни стоки и пункт за услуги.
В последните години успешно се решават жилищните проблеми на работниците и служителите.
Заводът поддържа добре уредено помощно стопанство с полевъдна и животновъдна дейност, които се осъществяват с доброволен труд.
Оборудван с високопроизводителна техника, автоматични машини и поточни линии, разполагащ със съвременни технологии и висококвалифицирани работници и специалисти, способни да се справят с всяка производствена задача – такъв е днешният електромоторен завод „Елпром” – Троян.
.png)
.png)


